Cortes A y B

Cuestiones sobre Dibujo Técnico en esta Carrera

Moderador: vicente

Responder
alcibo12
Novato/a
Novato/a
Mensajes: 8
Registrado: Lun Mar 17, 2014 5:38 pm

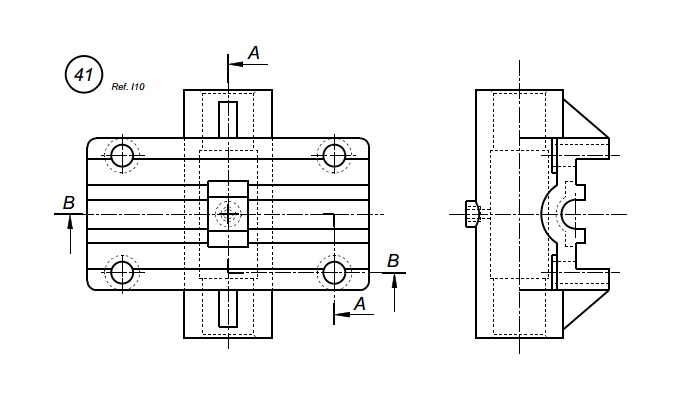
Cortes A y B

Mensaje por alcibo12 »

Buenas tardes, necesito dibujar los dos cortes que se indican en la pieza , sin dibujar las vistas dadas. 
Adjuntos
Sin título.jpg
Sin título.jpg (49.77 KiB) Visto 6983 veces
Responder