corte figura
Moderador: vicente
corte figura
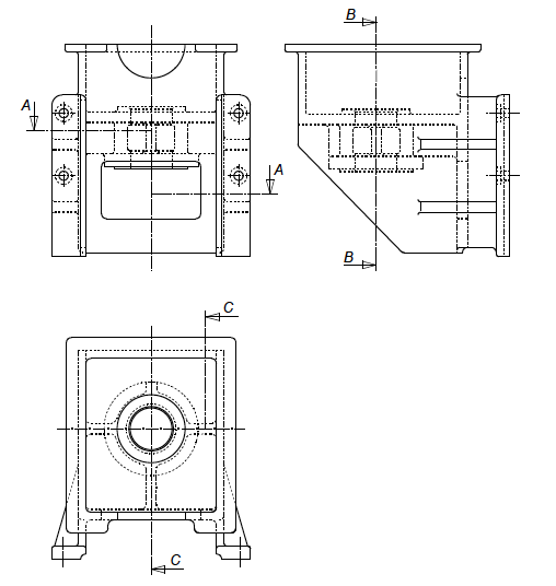
Tengo que realizar los tres cortes de la siguiente figura he sacado el A-A y el B-B, el C-C no lo término de ver alguien me lo podría solucionar muchas gracias de antemano
- Adjuntos
-
- IMG_6036.JPG (16.69 KiB) Visto 34962 veces
-
- Captura de pantalla 2016-10-02 a las 20.17.52.png (39.69 KiB) Visto 34962 veces
